
2018年,德國EBS推出全新升級的CIJ小字符噴碼機系列機器。經過2年的時間,EBS新系列的CIJ噴碼機性能、功能、穩定性等都得到市場的可靠驗證。
現為更好的推廣市場和服務中國的客戶,EBS向全國誠招該系列分銷商。有意合作者請點擊此處“關于我們-代理申請”進行資料填寫申請。
EBS-6900小字符噴碼機,是德國噴碼集團創新設計的一款高性能可24小時穩定生產的工業小字符噴碼機器。

機器整機原裝進口,品質保障
在國內銷售的所有EBS6900機器,均從歐洲整機原裝進口,嚴格遵守歐洲 TUV NORD ISO9001認證標準。機器到達中國后,又再進一步調試、檢驗,確保每一臺中到客戶手中機器的高品質。
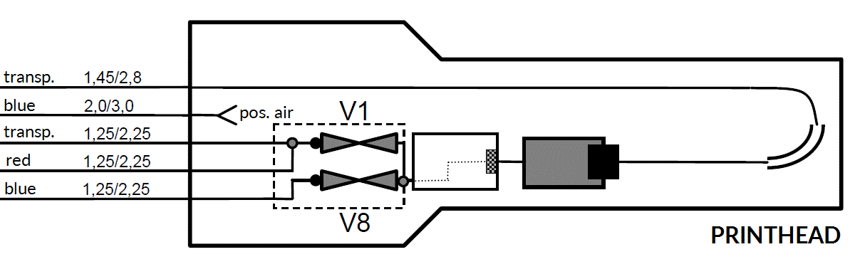
創新噴槍設計,遠離堵噴嘴煩惱!
EBS-6900采用創新噴槍解決方案和先進的噴嘴清洗技術,雙過濾器噴槍設計使噴嘴堵塞概率極大降低!正,逆雙重清洗噴嘴,確保噴嘴的暢通!

高標準組件,機器更加穩定!
可高溫下連續工作的噴槍設計,軍用無屏蔽級別高壓電纜,可拆卸設計回收槽,保證機器24小時穩定生產!可經受30萬次折疊測試超超韌性喉管,優良的耐化學性和抗彎性,基本終身無斷裂風險,往返噴印、與機器人協同噴印等都不會因為喉管的高頻率使用而影響穩定性!

標配UPS電源,供電不穩也不能怕!
EBS-6900標配智能備用電源,內置的電源2分鐘即可充滿,30s無外部電源后可自動關機清洗. 避免因停電造成管路堵塞,給客戶帶來不必要的經濟損失。滿足客戶供電不穩定情況也能穩定生產的需求,另外意外的下班非正常關機直接拔電源或關總閘,機器也能自動完成清洗!讓下次工作順暢進行。



















代理申請